深圳市金鴻達傳動設備有限公司
台灣北機減速機有限公司
服務熱線:13509620880
電話:0755-29629972
E-MAIL:szjhdcd@126.com
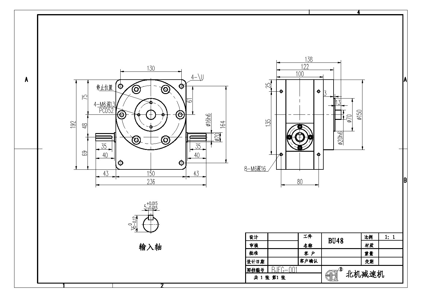
圆柱凸轮分割器是输入轴上的圆柱凸轮与分度轮上的从动滚子无间隙啮合形成的机构。其特点是凸轮基面圆柱体,从动滚子轴线与输出轴垂轴线平行,圆柱凸轮面的曲线段使输出分度轮转位,直线段使输出分度轮静止并制锁,通过该机构将连续的输入回转运动转化为间歇的输出运动。该种类型的分割器能实现多分度(六分度至六十分度),特别适用于中低速大负载情况下要求在一周内停歇次数较多的场合,如电光源机械。大输液灌装机械等。

上一頁:無
下一頁:BU86圆柱型间歇分割器