深圳市金鴻達傳動設備有限公司
台灣北機減速機有限公司
服務熱線:13509620880
電話:0755-29629972
E-MAIL:szjhdcd@126.com
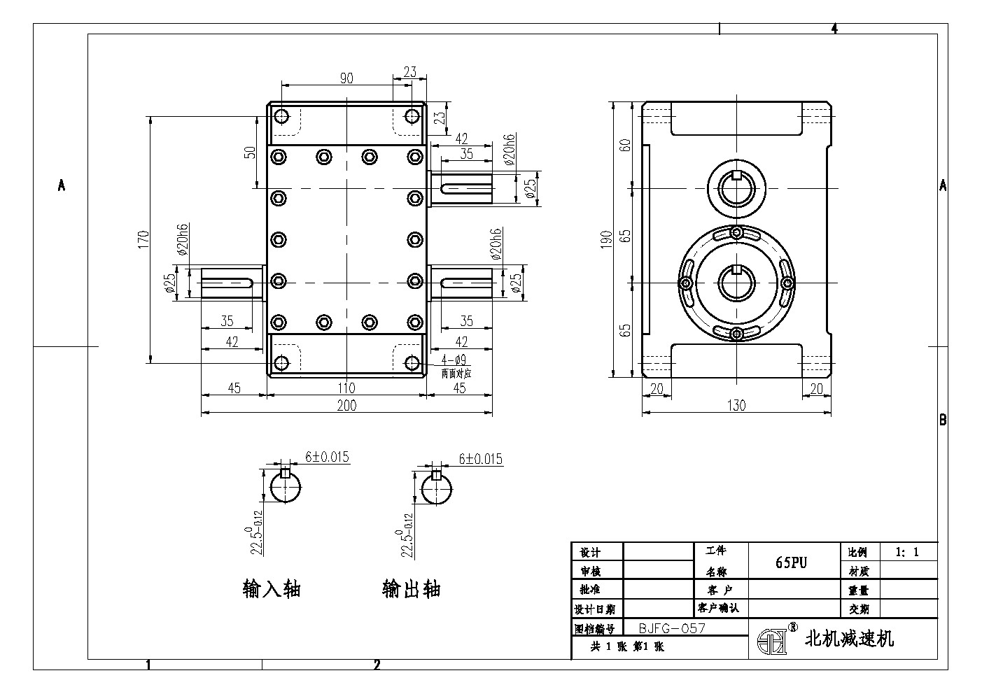
此系列机种内含二片固定在入力轴的板型凸轮以及随凸轮转动的滚子转塔出力轴,此分割器有平行共轭凸轮的机构设计,籍由接合于入力轴上的二片板型凸轮之传动而传动滚子转塔旋转而达成出力轴分度的功能,最适合供给节距较大的输送带传动或用于停留时间较长的间歇分度。另有三片式重负荷型式,更适合一些快速且长节短距的输送,并且停留时间亦比二片式要长。

上一頁:PU50平行凸轮分割器
下一頁:PU80平行凸轮分割器