深圳市金鴻達傳動設備有限公司
台灣北機減速機有限公司
服務熱線:13509620880
電話:0755-29629972
E-MAIL:szjhdcd@126.com
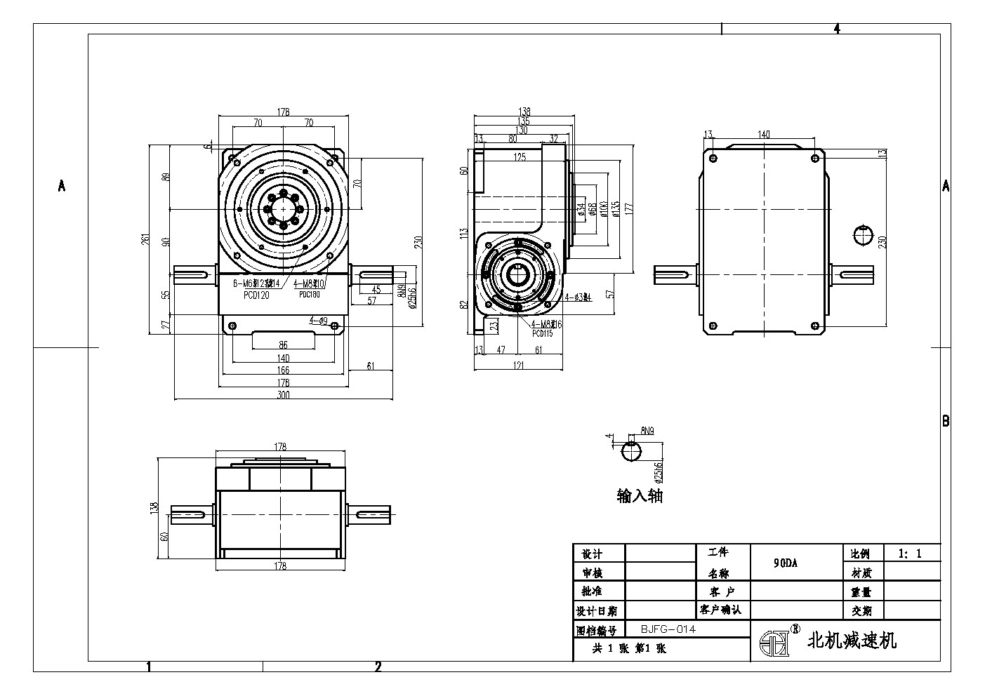
此系列机种设计特性与DT平台桌面型功能一样,可安装旋转盘与静止盘。旋转盘驱动时可承受超大轴向负载及垂直径向压力,输出端面凸起的可安装静止盘。大孔径空心轴,可配合设置动态、静态自动化接口设备,可将电、油、气管路置于空心之内,此机型广泛应用于重负载、多工艺、复合型产品的装配及各类产业机器,外形设计超薄适合在紧凑空间安装,节省设备安装空间。

上一頁:DA70间歇分割器
下一頁:DA110间歇分割器