深圳市金鴻達傳動設備有限公司
台灣北機減速機有限公司
服務熱線:13509620880
電話:0755-29629972
E-MAIL:szjhdcd@126.com
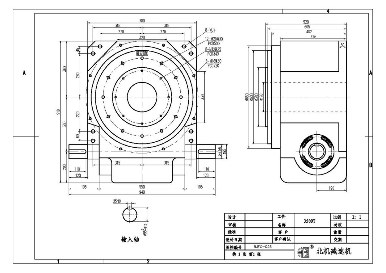
此系列机种之尺寸设计特性与凸缘型功能相似,于驱动运转上可承受超大轴向负载及垂直径向压力,在输出端有一凸起固定盘面及大孔径空心轴,可搭配设置动态,静态自动化周边设备,可将动力源之电,油,气管路置于空心孔内,此系列机种广泛应用于重负载,直结自动化设备之各类机构及产业机械,作同步自动化间歇驱动。

上一頁:DT250间歇分割器
下一頁:無