深圳市金鴻達傳動設備有限公司

全國統一咨詢熱線

0755-29629972

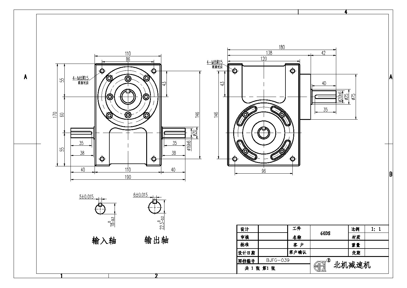
DS心轴型间歇分割器

當前位置:網站首頁 >> 產品展示 >> 间歇凸轮分割器 >> DS心轴型间歇分割器
DS60间歇分割器

產品名稱:DS60间歇分割器

產品類別:DS心轴型间歇分割器

此系列机种为典型传统式心轴造型,共安装配件之加工安装配合齿轮,联轴器或联轴盘,需特别注意孔径公差(+0.015/-0),及键槽公差(+0.015/-0),其使用场合在输送带驱动,齿轮驱动,无间隙联轴器结合驱动居多。

产品详细


新聞動態