深圳市金鴻達傳動設備有限公司

全國統一咨詢熱線

0755-29629972

DF凸缘型间歇分割器

當前位置:網站首頁 >> 產品展示 >> 间歇凸轮分割器 >> DF凸缘型间歇分割器
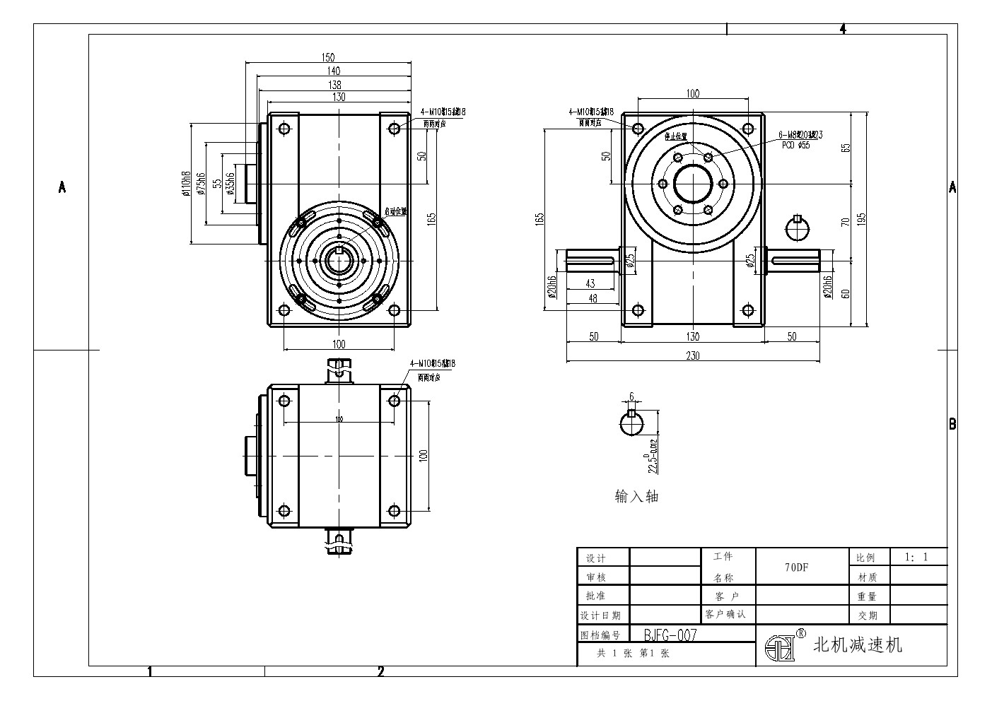
DF70间歇分割器

產品名稱:DF70间歇分割器

產品類別:DF凸缘型间歇分割器

此系列机种具有重负荷特性,可承受较大之垂直径向或轴向压力,其输出轴为盘面式,有凸缘中心,盘面螺孔,定位销孔,固定面宽广,可加强平面度及稳固性,使运转更坚实平稳。最能适用于较大负荷之回转式圆盘驱动场合,此系列机种被广泛使用在各类盘式加工机械,及类似机构之产业机械,自动化间歇驱动部,驱动圆盘。

产品详细


新聞動態