深圳市金鴻達傳動設備有限公司
台灣北機減速機有限公司
服務熱線:13509620880
電話:0755-29629972
E-MAIL:szjhdcd@126.com
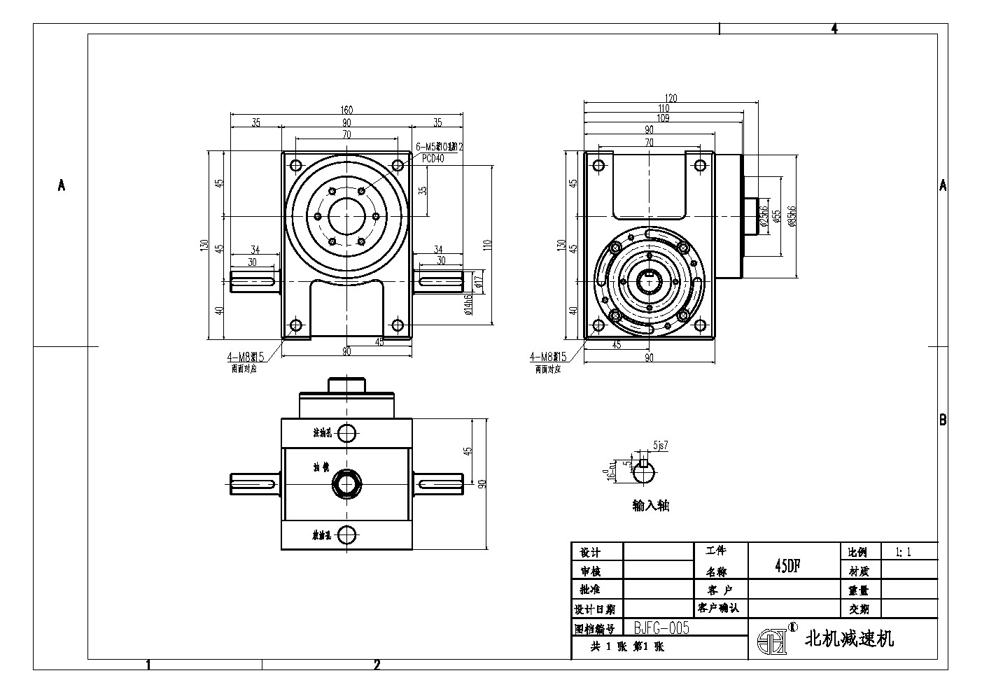
此系列机种具有重负荷特性,可承受较大之垂直径向或轴向压力,其输出轴为盘面式,有凸缘中心,盘面螺孔,定位销孔,固定面宽广,可加强平面度及稳固性,使运转更坚实平稳。最能适用于较大负荷之回转式圆盘驱动场合,此系列机种被广泛使用在各类盘式加工机械,及类似机构之产业机械,自动化间歇驱动部,驱动圆盘。

上一頁:無
下一頁:DF60间歇分割器